Антирадар на автомобиль

В помощь автомобилисту

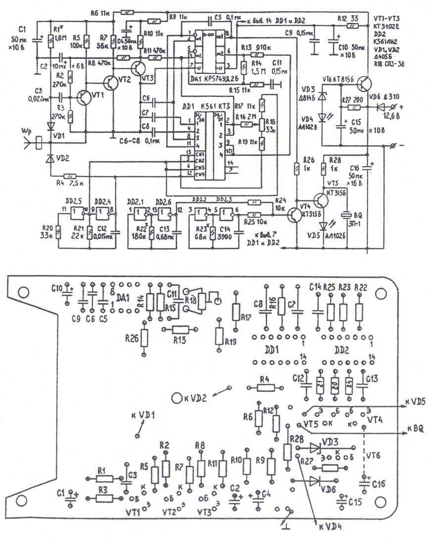
Руководство по сборке

Изготовить из луженной жести экран (рис. 5) и приклеить его с внутренней стороны крышки эпоксидным клеем.

Печатную плату обезжирить и произвести монтаж элементов схемы. Транзисторы VT1 и VT2 с наибольшим коэффициентом усиления. По окончании - проверить монтаж и промыть ацетоном.

Изготовить рупорную антенну согласно (рис. 2) качество работы всего приемника, а также его частотные характеристики определяются точностью и аккуратностью изготовления рупора !! Рупор изготавливается из латуни толщиной 0,5-1,0 мм. Все размеры на чертеже рупора внутренние! Серебрение не влияет на его параметры. Не следует применять латунь, потемневшую под действием среды, а также обрабатывать внутренние плоскости наждачной бумагой. Не облуживать внутренние плоскости рупора на больших площадях. Пайку плоскостей рупора производить мощным паяльником с внешней стороны плоскостей рупора.

Изготовленный рупор промыть ацетоном, извлечь СВЧ-диоды из облочек, надев на запястья рук заземленные браслеты, наложить на диоды кусочки изоленты (рис. 3-б) и установить их в волновод.

Принимая меры предосторожности, установленные для элементов КМОП, избегая перегрева, припаять катоды диодов к плоскости рупора (рис. 7), а к анодам - проводники, при посредстве которых вы подключите их к схеме.

Установить рупор на печатную плату (рис. 2-б), закрепив его винтом М3, после чего припаять его в двух точках в районе раскрыва к дорожкам массы ПП. Крепежный винт не должен входить в волновод рупора более чем на 0,5 мм.

Подключить СВЧ-диоды, ЭП, светодиоды индикации, экран и провод питания к схеме и еще раз проверить монтаж.

Чертежи и схемы устройства

чертеж 1 чертеж 2 чертеж 3 чертеж 4 чертеж 5

Настройка

При правильном монтаже из исправных деталей приемник работоспособен. Подключить источник постоянного тока напряжением 12-16 В. Вращением движка R18 определить порог срабатывания индикации (примерно в среднем положении). Элементами R23, С14 подбирается желаемый тон к громкость звука.

При наличии генератора, перекрывающего 10,3-10,6 ГГц, например Г4-32 А, либо на диоде Ганна, можно проэксперементировать с приемником в домашних условиях. Изготовить генератор на диоде Ганна несложно (к примеру, см. "РАДИО" №5 за 1991 г. стр. 30). В этом случае можно несколько скорректировать частотные характеристики рупора, если при его изготовлении были допущены некоторые отклонения. Корректировка производится введением в районе VD2 винта М3 путем его ввинчивания в волновод рупора. Возможна корректировка путем изменения длины крепежного винта. Желательно добиться среза чувствительности на частотах выше 10,6 ГГц, чтобы избежать реагирования приемника на посторонние источники СВЧ, имеющиеся в больших городах (к другим помехам обычно влияющими на РВ аппаратуру он не подвержен). Радарные установки типа "БАРЬЕР-2" и "ЛУЧ", если они работают в непрерывном режиме, приемник принимает на расстоянии от 800 до 2000 м в зависимости от дорожных условий и качества изготовления.

Закрепить эпоксидным клеем элементы, вибростойкость которых вызывает сомнение.

Еще раз убедиться в работоспособности приемника и более точно, с небольшим запасом установить порог срабатывания индикации резистором R18.

Установка

Приемник устанавливается в районе лобового стекла в любом удобном месте, обеспечивающим надежную фиксацию прибора, правильную ориентацию в пространстве (рупор раскрывом вперед) и исключающем травмирование пассажиров и водителя в дорожных условиях. Таким местом может быть солнцезащитный козырек.

Провод питания заводится в приборную панель и подключается к бортовой сети, находящейся под напряжением при включении зажигания. <

likes  ||  counter  ||  Хостинг Web1.0