Общие указания, для начинающих велосипедистов, по правильной настройке велосипеда.
Настройка руля и колес велосипеда
При правильном положении руля горного велосипеда, наклон позвоночника должен быть около 45о Это сохраняет удобное положение и уменьшает аэродинамическое сопротивление.
Плотность завинчивания болтов должна соответствовать 20 Nm, шпиндель рулевой колонки следует также закрутить на 20 Nm. Колеса должны быть установлены симметрично раме и передней вилке. Гайки на оси переднего колеса следует прикручивать на 15Nm, a заднего - на 17 Mm. Хорошо накаченные шины не должны быть посажены более, чем на одну треть высоты.
Настройка рамы велосипеда и седла.
Расстояние между рамой и основанием седла минимум должно равняться 2,5 см. Положение седла устанавливается сидя на велосипеде в самом низком положении шатуна механизма каретки. Его высоту выбираем так, чтобы сидя в положении со слегка согнутым коленом пятка свободно ложилась на педаль. Следует обратить внимание на то, чтобы стержень был помещен на определенную глубину в раму (65 мм).
Внимание:
Во время регулировки положения седла и руля следует помнить, что стержень, поднятый выше отметки, может быть причиной выхода из строя велосипеда, а также несчастного случая. Максимальный уровень подъема стержня не должен превышать отметки, расположенной на нижней част стержня руля и седла.
Настройка механизма каретки велосипеда.
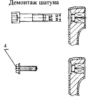
В механизме каретки люфты подшипниках устраняются при легком откручивании гайки 1, далее завинчивании гайки 2 и снова завинчиваем гайку 1. При демонтаже механизма с целью замены частей или смазки подшипников следует (после снятия колпачка 5) выкрутить болт (М8х1). Снять шатун с оси необходимо при помощи болта Ml2. Отмеченные выше люфты в каретке, следует устранить сразу же, закручивая болт 4(М8х1) на 28-30 Nm.


Настройка педалей и тормозов велосипеда.
Педали: Оси педалей должны быть плотно прикручены к шатуну (25 Nn). Его плохое закрепление может привести к стиранию резьбы. Во время крепления педалей к шатуну следует обратить внимание на противоположное направление их завинчивания (левая педаль имеет винт с левой резьбой). Очень важно правильное закрепление винта оси к шатуну. Несоблюдение вышеперечисленных правил может привести к поломке каретки.
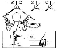
Тормозная система: Тормозные колодки должны быть равномерно закреплены к боковой части обода колеса. При правильной установке, между ободом колеса и тормозными колодками должно быть расстояние 2-З мм. Во время нажатия на рукоятку ручного тормоза тормозные колодки соприкасаются с ободом колеса, расстояние между ручкой руля и рукояткой ручного тормоза должно быть 25 мм. При отпуске рукоятки ручного тормоза, тормозные колодки должны вернуться в исходное положение.
Настройка суппорт велосипеда.
МАШИНКА ШИМАНО: Велосипед оснащен передней и задней машинкой. Функцией передней машинки является передвижение и установка цепи на определенной звездочке механизма каретки. Функцией задней машинки (редуктора) является передвижение и установка цепи на определенной звездочке, а также натяжение цепи, т.к результатом изменения положения является кажущееся изменение длины цепи, которое должно быть нивелировано задней машинкой.
Принципы работы машинок:
РЕГУЛИРОВКА ПЕРЕДНЕЙ МАШИНКИ (ОТВОДКИ): Регулировку передней машинки рекомендуется производить в авторизированной мастерской, но если вы хотите сделать это самостоятельно, действуйте следующим образом:
При правильной установке, передняя машинка должна гладко передвигать цепь с самой маленькой звездочки на самую большую и наоборот.
Для регулировки крайних положений задней машинки служат 2 регулировочных болта, расположенных на корпусе переключателя.
При слабом натяжении цепи, цепь будет спадать с крайних зубцов, а при слишком сильном натяжении цепи, цепь при попадании на крайние зубцы будет болтаться. Регулировку задней машинки лучше производить в авторизированной мастерской. Однако если вы захотите сделать эго самостоятельно, действуйте следующим образом:
Внимание: Изменение положения передней и задней машинки следует достигать только во время кручения педалями. Машинки не должны одновременно работать в крайних положениях, т.к. это ведет к усилению шума работы устройств, а также быстрый выход из строя цени, переключателей и приводных звездочек.
Внимание: Переключатели типа Index оборудованы специальными тросами, - которые предварительно стабилизированы.
Внимание: Эксплуатация велосипеда с не отрегулированными переключателями может привести к полному выходу из строя элементов машинок.